|
|
Тел.: +7 (495) 278-08-55
г. Москва, Щелковское ш., д. 100, корп. 6
info@aketon.ru
|
|
|
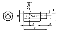
| Обратный клапан, ввертной, М5 |
На складе: под заказ
Код товара: 0821003005
|
|
M5
|
40
|
М5
|
20
|
5 |
5 |
2 |
8 |
0,006 |
| |
Клапан |
| Рабочее давление мин./макс. |
0,2 bar / 10 bar |
| Окружающаятемпература мин./макс. |
-10°C / +70°C |
| Температура среды мин./макс. |
-10°C / +70°C |
| Материал корпуса |
Латунь, никелированная |
|
| |
|
Скачайте новый PDF-каталог 2015 г. на русском языке (12 Мб):

|
 |
|
ООО "Акетон", Тел.: (495) 278-08-55, info@aketon.ru
Системный интегратор и Торговый партнер Bosch Rexroth AG.
www.pnshop.ru - Индустриальная пневматика Rexroth / AVENTICS. Фитинги, пневмотрубки, подготовка воздуха.
|
|
Copyright © 2008 - 2024 ООО "Акетон". Все права защищены. All logos, trademarks, catalogues are property of their respectful owners.
|
|
|
|